HYRM3618生料磨磨辊轴承的使用和维护
2016-09-06 1、HYRM3618辊式磨基本概况介绍
HYRM3618辊式磨是江苏恒远工程有限公司自主研发制造的设计台产200t/h的四辊生料粉磨,自2013在恒亚水泥投入使用以来,效果良好,性能稳定。
HYRM3618辊式磨配置4个磨辊,每一个磨辊都是由固定的上下摇臂、安装摇臂的支架,以及液压系统组成的粉磨单元,与其他辊式磨相比较,具有以下优点:
(1)可对各种不同物料进行粉磨。
(2)占地面积小、单位耗能低、调节方便。
(3)控制反应迅速,工艺流程大大缩短。
(4)维修方便、噪音低。
(5)物料的研磨在限定压力下进行,振动较小,适应性强。
2、磨辊轴承的维护和使用
2.1、磨辊轴承选型
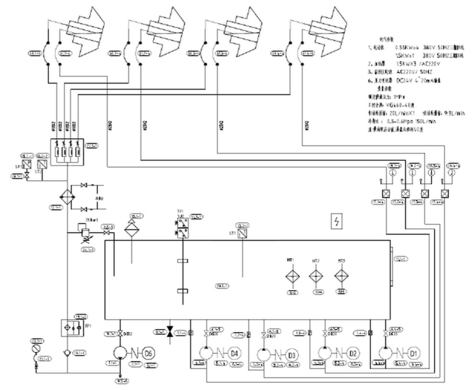
如图所示,磨辊由两组轴承支撑,圆柱滚子轴承仅承受径向力,而圆锥滚子轴承可以承受径向和轴向载荷。有这两个轴承通过间隔套定位并相互支撑。轴承通过磨辊的闷盖和端盖而压紧,轴承的配合精度由轴和轮毂的配合位置公差约束,安装时还应检查测定轴承游隙。本磨机轴承通过载荷计算,采用TIMEKEN的圆锥滚子轴承NP137279-90KA1和圆柱滚子轴承F-3197-C,使用时间应当大于30000小时。并在磨辊上采用数道密封件,端盖和轮毂间采用O型圈密封,磨辊旋转部件与辊轴之间采用双骨架唇式密封。每个磨辊上的密封装置设有环形间隙的充气式密封结构,可以防止粉尘进入磨辊内部,对轴承造成伤害。
2.2、正确装配方法
装配前要彻底清洗轴承及磨辊,特别是装配部位。并检测轴承的原始径向间隙,根据原始径向间隙装紧轴承。测定轴承装配间隙时应将塞尺伸过两个滚道并在无润滑脂的情况下进行。
在磨机内高达100多度以上热风工况下,工作的磨辊轴承必须要保持适当的自由游隙。设计要求常温状态下的磨辊体内的两种大型圆柱滚子轴承和双列圆锥棍子轴承的自由游隙分别为0.76mm和0.38mm-0.50mm。据此要求,实际组装轴承时通过控制磨辊体内的轴承孔的直径与两种轴承外环直径的公差带Ymac=-0.216mm、Xmax=0.008mm,和控制轴直径的两种轴承内环孔径的公差带Ymac=-0.06mm、Xmax=0.03mm。组装后要用塞尺测量两种轴承的轴承间隙。
若各轴承外径与辊体轴空的内径盈量或轴的外径与各轴承内环的孔径公差带增大,将导致轴承的剩余游隙减小而影响磨辊的正常工作。
2.3、良好的润滑方式
HYRM3618采用地面油站油站单独润滑。在正常工作状态下,由于磨辊工作时处于倾斜状态,轴承一侧全部浸入油中。如图所示,在地面油站的润滑油泵的介入下,磨辊供油管始终在一定的压力下循环不断的向磨辊内部进行供油,与此同时四个磨辊回油管出口处装有四台单独工作的真空泵进行回油的循环,防止润滑油循环不畅,对磨辊轴承造成伤害。
轴承润滑油具有减少摩擦、散热、防腐蚀等主要的功能。在润滑油的选取上,要根据磨辊工作的温度和具体工作载荷的大小来选择粘度合适的润滑油。由于磨辊轴承一般都是大载荷量的工作环境,所以要采用粘度相对较高的润滑油来提高轴承的性能,这样的润滑油可以形成足够厚的润滑油膜,延长轴承的工作寿命。
2.4、及时的轴承维护
磨辊轴承作为核心部件,应当进行24小时监护,监护的项目主要由:轴承温度,润滑油油温,润滑油回油量。若发现上述不正常现象出现,应当及时停机检查,找出问题所在。若要对磨辊轴承内部进行检查,应对圆锥棍子轴承和圆柱滚子轴承内外圈,滚子体和保护圈等部位进行全面检测。
除了上述的维护和使用管理外,对其他一些影响轴承寿命的因素,如轴承储存不当、磨机负荷超载、磨机振动过大、O型圈老化等等问题,也要在平常的运行中引起足够的足够的重视。


