辊端轴套优化设计
2020-09-25沈一名 吴世祥 杜德浪
(泰尔重工集团股份有限公司)
从结构优化和激光熔覆耐磨材料两个方面对某钢厂辊端轴套进行优化设计,提高其使用寿命,降低了维护成本和更换频率,满足了钢厂的使用需求。
某钢厂2 032mm热轧粗轧主传动接轴出现晃动,传动轴两端分别以电动机和工作辊为固定支撑点,传动轴大部分质量由平衡油缸支撑,工作辊扁头与辊端轴套是间隙配合且无润滑,在工作过程中会发生相对运动,产生磨损,由于辊端轴套及工作辊扁头磨损,导致传动轴晃动,引起设备工况恶化,十字包寿命降低,各部紧固螺栓断裂,辊端轴套圆角产生裂纹,导致设备停机。十字包及扁头套使用周期短,维修频繁,维修成本高,若处理不当甚至会造成重大设备损坏事故。
从使用监测数据观察,辊端轴套内孔磨损呈外大内小扩口形式。通过现场查看以及和其他辊端轴套对比,Z终确定原因为传动轴辊端以扁头套圆弧及衬板安装面为定位面,由于该两面存在磨损,导致接轴不能完全定位,产生晃动。
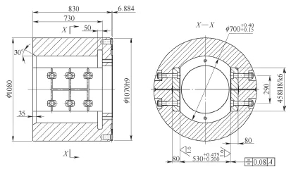
1 辊端轴套结构
辊端轴套是连接万向接轴与轧辊的重要传动件。图1所示为该钢厂辊端轴套结构,其主要由轴套和衬板两部分组成。该结构在使用过程中,由于辊端轴套扁孔圆弧面及衬板槽各面磨损量大,与工作辊配合间隙变大,导致主传动轴产生晃动,设备寿命不及预期。

图1 辊端轴套结构
2 辊端轴套组件磨损量大的原因分析
分析造成辊端轴套组件磨损量较大的原因如下:
1)如图1所示,该辊端轴套与轧辊配合面较短,且无内、外定心结构。辊端轴套实际装配与轧辊为间隙配合,且使用过程中辊端轴套会出现周期性的轻微径向摆动,Z终出现孔口磨损大、底部磨损小的锥型,从而导致接轴出现晃动。
2)辊端轴套中仅衬板面淬火处理,轴套扁孔圆弧面及衬板槽各面均为调质硬度,表面挤压强度较低,使用过程中易磨损。
3)使用过程中,轧辊端冷却水容易从轧辊与轴套端面缝隙处进入辊端轴套内部,引起各配合面锈蚀,加速辊端轴套的磨损。
3 优化设计
优化后结构如图2所示。

图2 优化后结构
(1)整体结构 原辊端轴套为衬板结构,衬板通过螺栓与轴套联接,工作过程中衬板受力作用造成螺栓松动。改进后设计方案为无衬板整体结构,避免螺栓松动的发生。
(2)扁孔位热处理 轴套内孔扁位平面淬火,硬度45~50HRC,深度2.0~2.5mm。提高轴套表面的接触强度,从而降低轴套扁面的磨损。
(3)圆弧面激光熔覆 轴套内孔圆弧面(φ 700mm)进行激光熔覆处理,堆焊耐磨合金,熔覆层硬度45~50HRC,深度2mm,提升耐磨、耐冲击性能。
(4)增加与轧辊的定心装置 将辊端轴套φ 500mm圆弧面表面淬火处理,用以起定心作用,在轧辊端面增加定心环与φ 500mm圆弧面配合,如图3所示。

图3 轧辊改制结构
(5)轴套与轧辊间增加密封结构 轴套端面与轧辊之间的间隙用密封圈来包裹,密封圈一端固定在辊端轴套端面,另一侧套在轧辊头部,避免使用过程中轴套扁孔进水引起锈蚀而加速轴套的磨损。
4 结语
优化后辊端轴套在线磨损量大大降低,接轴传动平稳,使用寿命明显提升,降低了维护成本以及更换频率,满足了钢厂的使用需求。
来源:《金属加工(冷加工)》 2019年11期
